
深圳市歐姆雷盾科技有限公司
全國統一服務熱線:400-680-0309
電話:0755-82591856
傳真:0755-82599306
E-mail:info@omrdon.com
地 址:深圳市坪山區坑垶禾田路2號坪山高新智能制造產業園6棟8樓
產品介紹:
歐姆雷盾(OMRDON)2.5G開關型天饋電涌保護器(天饋防雷器 天線避雷器)能防止因饋線感應雷擊過電壓而對天線及收發設備造成的損害,適用于衛星無線通信,移動基站,微波通信,廣播電視等同軸天饋系統信號的電涌保護,安裝于防雷分區LPZ0A-1及后續分區。該產品采用屏蔽外殼封裝,內置優質高速過壓保護器件,對天饋線路上感應的雷電高壓脈沖具有高效的保護防御功能。
功能特點:
1、駐波比小,插入損耗低(≤0.2dB);
2、傳輸速率高,使用頻率范圍大;
3、 當雷擊電涌侵入時,無需中止用電設備,不影響正常設備正常運行;
4、多種接頭可選。
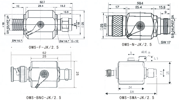
技術參數:
產品名稱 | 開關型天饋防雷器 | ||||
產品型號 | OMS-SMA-JK/2.5 | OMS-N-JK/2.5 | OMS-TNC-JK/2.5 | OMS-F-JK/2.5 | |
貨號 | 800409 | 800401 | 800401 | 800407 | |
接口方式 | SMA/JK | N/JK | TNC/JK | F/JK | |
SPD類別 | 開關型 | ||||
最大持續工作電壓Uc | 230V | ||||
保護水平Up | 1000V | ||||
標稱放電電流In(8/20μs) | 10KA | ||||
最大放電電流 Imax(8/20μs) | 20KA | ||||
反應時間 Ta | ≤25ns | ||||
最大傳輸功率 Pt | 150W | ||||
駐波比 VSWR | ≤1.2 | ||||
特性阻抗 | 50/75Ω | ||||
插入損耗 | ≤0.2dB/2.5 GHz | ||||
頻率范圍 | DC-2.5GHZ | ||||
外殼材料 | 黃銅 | ||||
外殼防護等級 | IP65 | ||||
接地電阻Ω/線徑 | ≤4Ω / 2.5mm2 | ||||
工作溫度范圍 | -40℃~+70℃ | ||||
空氣相對濕度 (室內溫度條件下) | 30%~90% | ||||
尺寸mm | 53*25*25 | 59*25*25 | 60*25*32 | 53*25*25 | |
執行標準 | GBl8802.1、lEC61643-1 |
防雷器安裝指導:
1、為了可靠地防止雷電襲擊,可以在天線輸出端和被保護設備輸入端各串接一個天饋防雷器。在雷電較少的地區,天線不帶放大器的情況下,也可以只用一個。
2、把防雷器上的接線片焊上盡量短的接地導線(導線面積不小于2.5mm2),另一端與防雷系統接地母線可靠連接,接地電阻不大于4Ω。
3、在戶外使用天饋防雷器時必須注意防雨,切不可讓雨水浸入其內部造成腐蝕損壞。
4、本產品無需特別維護。當系統工作出現故障時,可拆除防雷器后再檢查,若還原到使用前的狀態后系統恢復正常,則說明防雷器已經損壞,必須立即更換。
本文關鍵詞:電涌保護器 天饋防雷器 天線避雷器 深圳天饋防雷器